
10
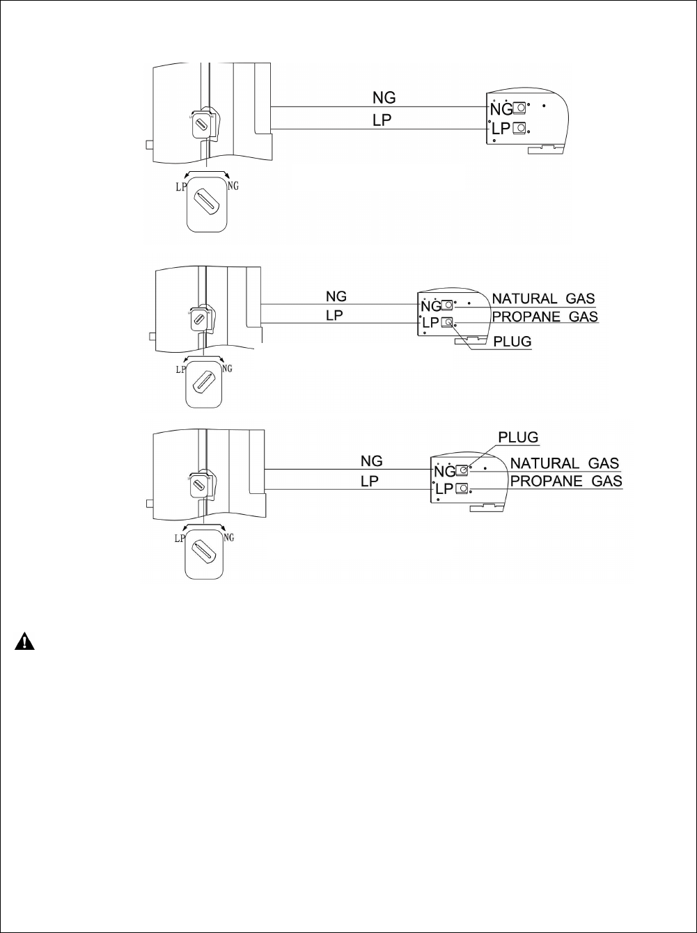
4. Remove hex plug from liquid propane inlet of regulator and install into NG inlet of regulator; use thread sealant to
assure there are no leaks.
CHECKING GAS CONNECTIONS
WARNING: Test all gas piping and connections for leaks after installing or servicing. Correct all leaks
immediately.
Pressure Testing Gas Supply Piping System Test
Pressures In Excess Of 1/2 PSIG (3.5kPa)
1. Disconnect heater with its appliance main gas valve (control valve) and equipment shutoff valve from gas supply
piping system. Pressures in excess of 1/2 psig will damage heater regulator.
2. Cap off open end of gas pipe where equipment shutoff valve was connected.
3. Pressurize supply piping system by either using compressed air or opening gas supply tank valve.
4. Check all joints of gas supply piping system. Apply mixture of liquid soap and water to gas joints. Bubbles forming
show a leak.
5. Correct al leaks immediately.
6. Reconnect heater and equipment shutoff valve to gas supply. Check reconnected fittings for leaks.
Figure 9
Figure 7
Figure 8
Komentarze do niniejszej Instrukcji